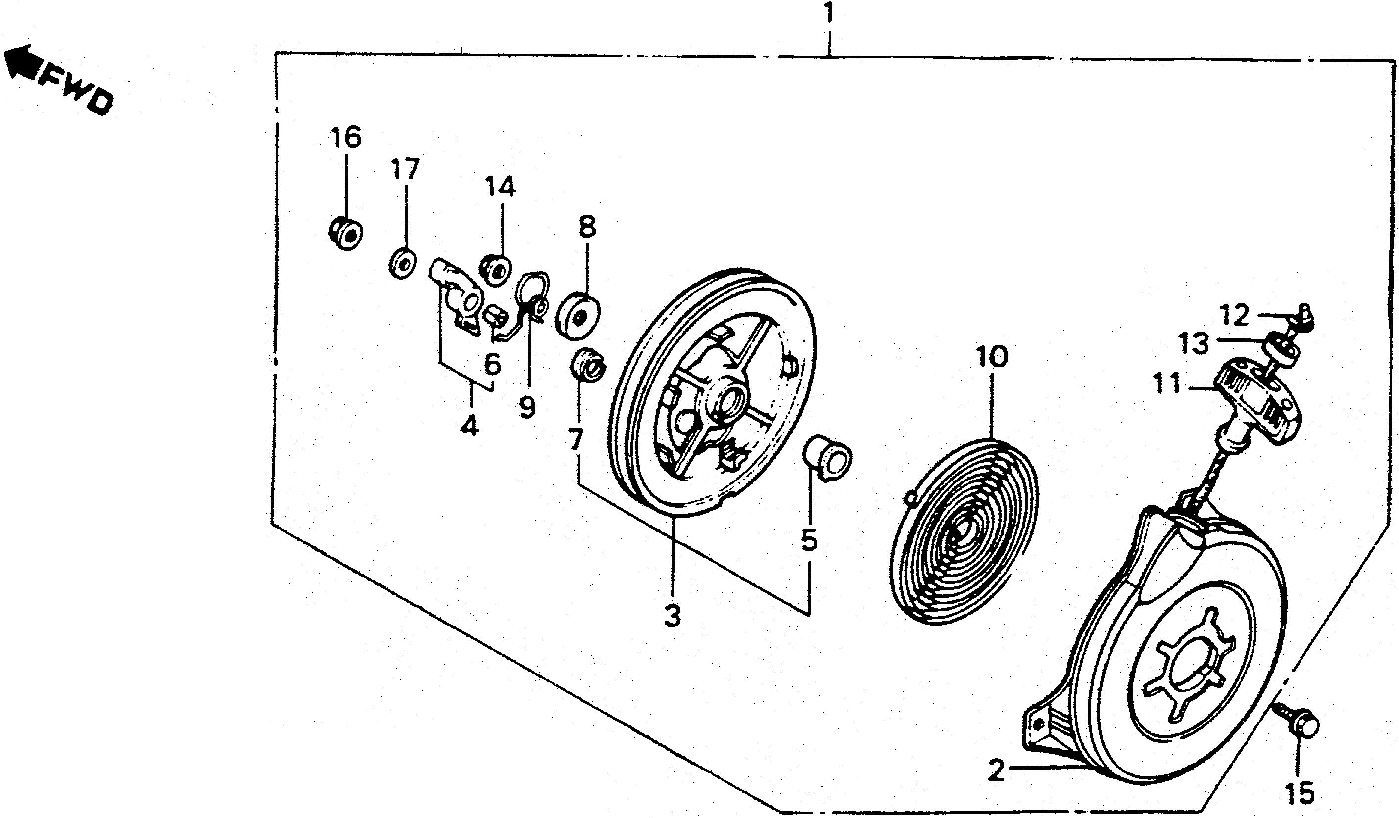
Snow Blowers HS HS50 HS50 TA HS50-1000534-9999999 RECOIL STARTER - Carolina Honda

Ref No
Part Number
Description
Serial Range
Qty
Price

Ref No
1
Part Number
28400-732-010H
Description
STARTER ASSY., RECOIL *R8* (BRIGHT RED) (NOT AVAILABLE)
Serial Range
1000001 - 9999999

Ref No
2
Part Number
28410-883-030ZB
Description
CASE, STARTER *R8* (BRIGHT RED)
Serial Range
1000001 - 9999999
Qty
Price
$84.52

Ref No
3
Part Number
28420-883-920
Description
REEL, STARTER (NOT AVAILABLE)
Serial Range
1000001 - 9999999

Ref No
4
Part Number
28422-883-020
Description
RATCHET
Serial Range
1000001 - 9999999
Qty
Price
$8.42

Ref No
5
Part Number
28424-883-000
Description
BOSS, REEL
Serial Range
1000001 - 9999999
Qty
Price
$5.98

Ref No
6
Part Number
28425-889-300
Description
BUSH, RATCHET
Serial Range
1000001 - 9999999
Qty
Price
$4.90

Ref No
7
Part Number
28427-883-300
Description
BUSH, REEL STARTER (NA USE ALT:28400-883-505)
Serial Range
1000001 - 9999999

Ref No
8
Part Number
28432-883-000
Description
PLATE, FRICTION
Serial Range
1000001 - 9999999
Qty
Price
$5.48

Ref No
9
Part Number
28441-883-020
Description
SPRING, FRICTION
Serial Range
1000001 - 9999999
Qty
Price
$9.42

Ref No
10
Part Number
28442-883-000
Description
SPRING, RETURN
Serial Range
1000001 - 9999999
Qty
Price
$21.48

Ref No
11
Part Number
28461-883-000
Description
GRIP, STARTER
Serial Range
1000001 - 9999999
Qty
Price
$10.90

Ref No
12
Part Number
28462-ZE1-003
Description
ROPE, RECOIL STARTER
Serial Range
1000001 - 9999999
Qty
Price
$8.84

Ref No
13
Part Number
28463-883-000
Description
SUPPORT, GRIP
Serial Range
1000001 - 9999999

Ref No
14
Part Number
90115-659-003
Description
NUT, SELF-LOCK (8MM) (CLINCH)
Serial Range
1000001 - 9999999
Qty
Price
$0.94

Ref No
15
Part Number
93401-06010-08
Description
BOLT-WASHER (6X10)
Serial Range
1000001 - 9999999
Qty
Price
$1.98

Ref No
15
Part Number
93481-06010-08
Description
BOLT-WASHER (6X10)
Serial Range
1000001 - 9999999

Ref No
16
Part Number
94050-05000
Description
NUT, FLANGE (5MM)
Serial Range
1000001 - 9999999
Qty
Price
$1.60

Ref No
17
Part Number
94101-05000
Description
WASHER, PLAIN (5MM)
Serial Range
1000001 - 9999999
Qty
Price
$1.20