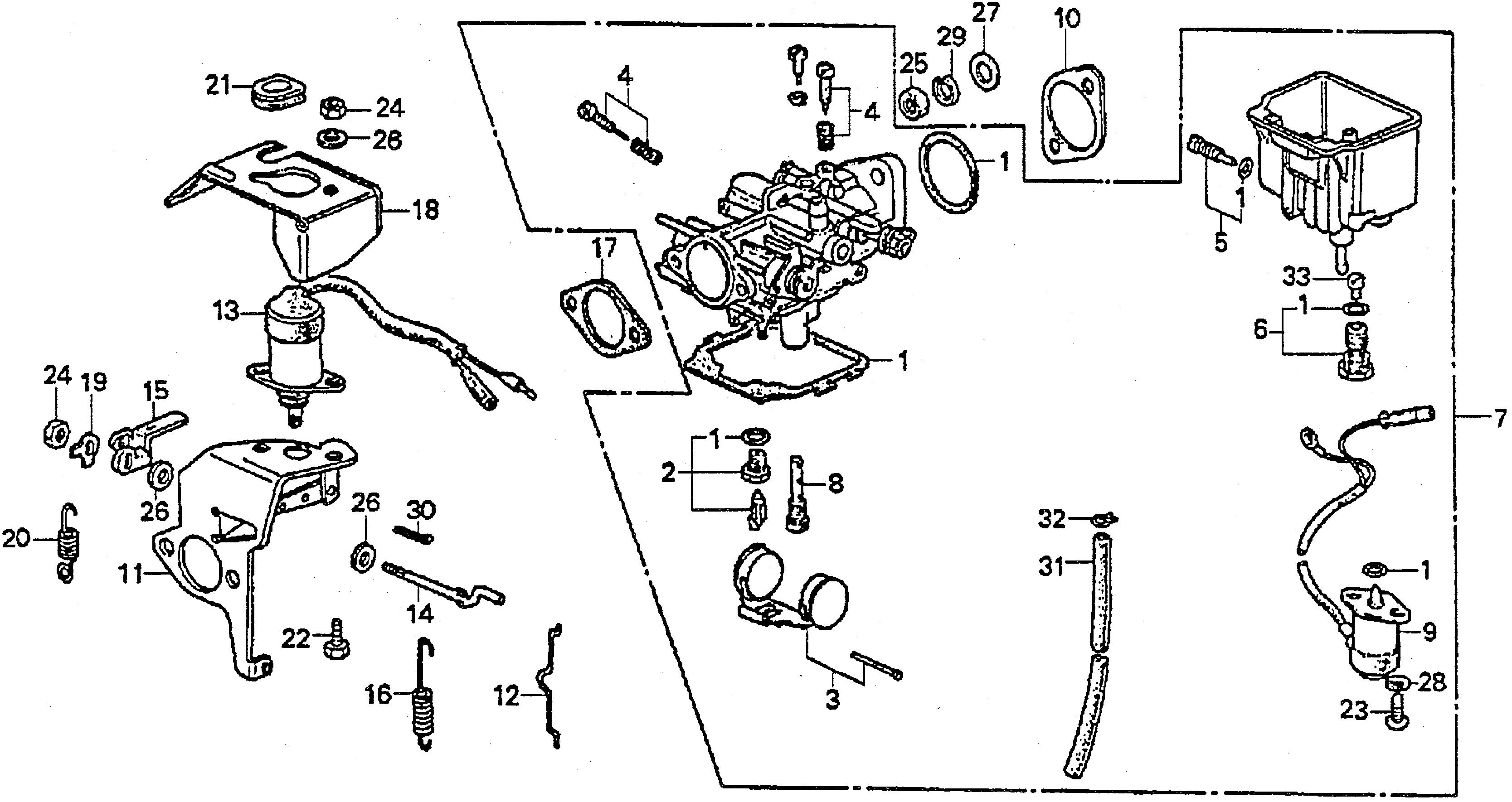
Ref No
Part Number
Description
Serial Range
Qty
Price
Ref No 1
Part Number 16010-880-003
Description GASKET SET
Serial Range 1000001 - 9999999
Ref No 2
Part Number 16011-866-004
Description VALVE SET, FLOAT
Serial Range 1000001 - 9999999
Ref No 3
Part Number 16013-862-004
Description FLOAT SET (NOT AVAILABLE)
Serial Range 1000001 - 9999999
Ref No 4
Part Number 16016-873-004
Description SCREW SET A (NOT AVAILABLE)
Serial Range 1000001 - 9999999
Ref No 5
Part Number 16024-124-004
Description SCREW SET, DRAIN (NOT AVAILABLE)
Serial Range 1000001 - 9999999
Ref No 6
Part Number 16028-880-003
Description SCREW SET B (NOT AVAILABLE)
Serial Range 1000001 - 9999999
Ref No 7
Part Number 16100-880-671
Description CARBURETOR ASSY.
Serial Range 1000001 - 1050763
Ref No 7
Part Number 16100-880-672
Description CARBURETOR ASSY. (NOT AVAILABLE)
Serial Range 1050764 - 9999999
Ref No 8
Part Number 16166-874-004
Description NOZZLE, MAIN (NOT AVAILABLE)
Serial Range 1050764 - 9999999
Ref No 9
Part Number 16200-880-003
Description VALVE ASSY., SOLENOID (NOT AVAILABLE)
Serial Range 1000001 - 9999999
Ref No 10
Part Number 16212-880-305
Description SHIM, CARBURETOR (NOT AVAILABLE)
Serial Range 1000001 - 1050763
Ref No 11
Part Number 16260-880-000
Description STAY, SOLENOID (NOT AVAILABLE)
Serial Range 1050764 - 9999999
Ref No 12
Part Number 16264-880-000
Description ROD, CHOKE (NOT AVAILABLE)
Serial Range 1000001 - 9999999
Ref No 13
Part Number 16265-880-003
Description CHOKE, SOLENOID (NOT AVAILABLE)
Serial Range 1000001 - 9999999
Ref No 14
Part Number 16266-880-000
Description ROD, MANUAL CHOKE (NOT AVAILABLE)
Serial Range 1000001 - 9999999
Ref No 15
Part Number 16267-880-000
Description LEVER, CHOKE (NOT AVAILABLE)
Serial Range 1000001 - 9999999
Ref No 16
Part Number 16268-880-000
Description SPRING, CHOKE RETURN (NOT AVAILABLE)
Serial Range 1000001 - 9999999
Ref No 17
Part Number 16269-823-000
Description GASKET, AIR CLEANER (NOT AVAILABLE)
Serial Range 1000001 - 9999999
Ref No 18
Part Number 16270-880-010
Description COVER, SOLENOID (NOT AVAILABLE)
Serial Range 1000001 - 9999999
Ref No 19
Part Number 16271-880-000
Description WASHER, LOCK
Serial Range 1000001 - 9999999
Ref No 20
Part Number 16272-880-000
Description SPRING, CHOKE (NOT AVAILABLE)
Serial Range 1000001 - 9999999
Ref No 21
Part Number 16852-880-000
Description GROMMET, TUBE (NOT AVAILABLE)
Serial Range 1000001 - 9999999
Ref No 22
Part Number 92101-05012-0G
Description BOLT, HEX. (5X12)
Serial Range 1000001 - 9999999
Qty
Price $1.26
Add To Cart
Ref No 23
Part Number 93500-05010-0A
Description SCREW, PAN (5X10)
Serial Range 1000001 - 9999999
Qty
Price $1.10
Add To Cart
Ref No 24
Part Number 94001-05000-0S
Description NUT, HEX. (5MM)
Serial Range 1000001 - 9999999
Qty
Price $3.34
Add To Cart
Ref No 25
Part Number 94001-06000-0S
Description NUT, HEX. (6MM)
Serial Range 1000001 - 9999999
Ref No 25
Part Number 94001-06200-0S
Description NUT, HEX. (6MM)
Serial Range 1000001 - 9999999
Qty
Price $1.60
Add To Cart
Ref No 26
Part Number 94101-05000
Description WASHER, PLAIN (5MM)
Serial Range 1000001 - 9999999
Qty
Price $1.20
Add To Cart
Ref No 27
Part Number 94101-06800
Description WASHER, PLAIN (6MM)
Serial Range 1039819 - 9999999
Qty
Price $0.80
Add To Cart
Ref No 28
Part Number 94111-05000
Description WASHER, SPRING (5MM)
Serial Range 1039819 - 9999999
Qty
Price $1.38
Add To Cart
Ref No 29
Part Number 94111-06800
Description WASHER, SPRING (6MM)
Serial Range 1000001 - 9999999
Qty
Price $1.38
Add To Cart
Ref No 30
Part Number 94201-20150
Description PIN, SPLIT (2.0X15)
Serial Range 1000001 - 9999999
Qty
Price $1.26
Add To Cart
Ref No 31
Part Number 95001-35003-60M
Description BULK HOSE, FUEL (3.5X3000) (3.5X270)
Serial Range 1000001 - 9999999
Qty
Price $29.44
Add To Cart
Ref No 32
Part Number 95002-02070
Description CLIP, TUBE (B7)
Serial Range 1000001 - 9999999
Qty
Price $2.20
Add To Cart
Ref No 33
Part Number 99101-862-0920
Description JET, MAIN (#92) (NOT AVAILABLE)
Serial Range 1000001 - 9999999